Что такое десорбционно-электролитическая система и почему она необходима для современной добычи золота

The Десорбционная электролитическая системаявляется важнейшей технологией в современной добыче золота, особенно в процессах «углерод в пульпе» (CIP) и «углерод в выщелачивании» (CIL). В этом блоге рассказывается о том, как работает система, ее компоненты, преимущества и почему она стала стандартом эффективного извлечения золота. Мы также подчеркиваем, как компании любятЭПИКпродвигают инновации в этой области. К концу вы получите полное представление о том, как эта система повышает производительность, снижает затраты и повышает степень восстановления.

Desorption Electrolytic System

Оглавление


Что такое десорбционно-электролитическая система

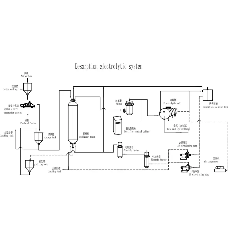
A Десорбционная электролитическая системапредставляет собой усовершенствованную систему извлечения золота, используемую для извлечения золота из активированного угля. Он широко применяется в горнодобывающей промышленности, где золото абсорбируется частицами углерода в процессе выщелачивания.

  • Десорбция: удаляет золото из углерода с помощью растворов при высокой температуре и высоком давлении.
  • Электролиз: извлекает золото из раствора на катоды.
  • Замкнутая система: обеспечивает эффективность и минимальные потери.

Эта система необходима для повышения эффективности извлечения и снижения эксплуатационных затрат, что делает ее ключевым компонентом современных золотоперерабатывающих заводов.


Как работает десорбционно-электролитическая система

Принцип работы А.Десорбционная электролитическая системавключает в себя два основных этапа:

  1. Стадия десорбции:Уголь, насыщенный золотом, обрабатывается горячим щелочным раствором цианида, выделяя ионы золота.
  2. Стадия электролиза:Богатый золотом раствор проходит через электролитическую ячейку, где золото осаждается на катодах из стальной ваты.

Этот процесс обеспечивает высокую эффективность и обеспечивает непрерывную работу, поэтому системы таких компаний, какЭПИКполучили широкое распространение в промышленности.


Основные компоненты системы

Компонент Функция
Десорбционная колонна Удерживает активированный уголь и облегчает удаление золота.
Электролитическая ячейка Восстанавливает золото посредством электролиза
Теплообменник Поддерживает необходимую температуру
Система фильтров Удаляет примеси из раствора.
Система управления Автоматизирует работу и контролирует параметры

Каждый компонент играет жизненно важную роль в обеспечении эффективной и стабильной работы системы.


Технические преимущества и особенности

  • Высокая степень извлечения золота (до 98%)
  • Низкое энергопотребление
  • Автоматизированная работа для снижения затрат на рабочую силу
  • Компактный дизайн для экономии пространства
  • Экологичность с минимальными выбросами

Производителям нравитсяЭПИКпостоянно оптимизируйте эти системы в соответствии с меняющимися потребностями отрасли, обеспечивая более высокую производительность и надежность.


Применение в обработке золота

The Десорбционная электролитическая системашироко используется в:

  • Золотодобывающие заводы
  • Операции CIP (углерод в целлюлозе)
  • Процессы CIL (углерод в выщелачивании)
  • Извлечение золота из хвостов

Благодаря своей универсальности он подходит как для крупномасштабной промышленной добычи полезных ископаемых, так и для небольших предприятий, стремящихся повысить эффективность.


Сравнение с традиционными методами

Особенность Десорбционная электролитическая система Традиционные методы
Эффективность Высокий Умеренный
Автоматизация Полностью автоматизированный Ручной или полуавтоматический
Расходы Более низкие долгосрочные затраты Более высокие эксплуатационные расходы
Воздействие на окружающую среду Низкий Выше

Очевидно, что современная система обеспечивает значительные преимущества по сравнению с традиционными методами извлечения золота.


Руководство по выбору для покупателей

При выбореДесорбционная электролитическая система, учтите следующие факторы:

  • Мощность обработки
  • Уровень автоматизации
  • Энергоэффективность
  • Репутация производителя (например, EPIC)
  • Послепродажная поддержка

Выбор правильной системы обеспечивает долгосрочный успех работы и максимальную отдачу от инвестиций.


Советы по техническому обслуживанию и эксплуатации

  • Регулярно осматривайте трубопроводы и клапаны
  • Контролируйте уровень температуры и давления
  • Периодически очищайте электролизеры.
  • Своевременно заменяйте изношенные детали
  • Строго следуйте рекомендациям производителя

Правильное техническое обслуживание значительно продлевает срок службы системы и обеспечивает стабильную работу.


Часто задаваемые вопросы

1. Какова основная цель десорбционно-электролитической системы?

Его основная цель — эффективно извлекать и восстанавливать золото из активированного угля.

2. Насколько эффективна система?

Большинство систем достигают степени извлечения золота более 95%, в зависимости от условий эксплуатации.

3. Экологична ли система?

Да, современные системы предназначены для минимизации выбросов и сокращения химических отходов.

4. Можно ли его настроить?

Да, такие компании, как EPIC, предлагают настраиваемые решения в зависимости от требований обработки.

5. В каких отраслях используется эта система?

В первую очередь в золотодобывающей промышленности, но также и в области извлечения драгоценных металлов.


Заключение

The Десорбционная электролитическая системапредставляет собой прорыв в технологии извлечения золота, предлагая непревзойденную эффективность, надежность и экологичность. Благодаря постоянным достижениям таких лидеров отрасли, какЭПИКЭта система становится все более важной для современных горнодобывающих предприятий. Если вы хотите оптимизировать процесс добычи золота и повысить прибыльность, разумным выбором будет инвестирование в высококачественную систему.Связаться с намисегодня, чтобы узнать больше о том, как мы можем предоставить индивидуальные решения для ваших нужд.

Отправить запрос

X
Мы используем файлы cookie, чтобы предложить вам лучший опыт просмотра, анализировать трафик сайта и персонализировать контент. Используя этот сайт, вы соглашаетесь на использование нами файлов cookie. политика конфиденциальности