English
Español
Português
русский
Français
日本語
Deutsch
tiếng Việt
Italiano
Nederlands
ภาษาไทย
Polski
한국어
Svenska
magyar
Malay
বাংলা ভাষার
Dansk
Suomi
हिन्दी
Pilipino
Türkçe
Gaeilge
العربية
Indonesia
Norsk
تمل
český
ελληνικά
український
Javanese
فارسی
தமிழ்
తెలుగు
नेपाली
Burmese
български
ລາວ
Latine
Қазақша
Euskal
Azərbaycan
Slovenský jazyk
Македонски
Lietuvos
Eesti Keel
Română
Slovenski
मराठी
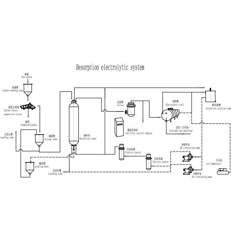
Srpski језик Электролитическая десорбционная система является важнейшей технологией в современной добыче золота, особенно в процессах «углерод в пульпе» (CIP) и «углерод в выщелачивании» (CIL). В этом блоге рассказывается о том, как работает система, ее компоненты, преимущества и почему она стала стандартом эффе......
Читать далееПогружной спиральный классификатор является жизненно важным компонентом в переработке полезных ископаемых, который улучшает разделение и классификацию частиц в различных отраслях промышленности. В этой статье мы рассмотрим функции, преимущества и применение погружных спиральных классификаторов, а та......
Читать далееРезервуары для выщелачивания являются важным оборудованием в горнодобывающей промышленности, особенно для извлечения ценных металлов из руд посредством процессов выщелачивания. В этом блоге мы рассмотрим важность, принцип работы и различные типы резервуаров для выщелачивания с мешалкой, используемых......
Читать далееПогружной спиральный классификатор — это важнейшая часть оборудования при переработке полезных ископаемых, предназначенная для разделения частиц по размеру и плотности посредством гравитационного осаждения и механического движения. Эта машина, широко используемая в горнодобывающей промышленности, в ......
Читать далееВысокопроизводительный кольцевой сгуститель с наклонными пластинами (CHRIPT) — это жизненно важное оборудование, используемое в горнодобывающей и перерабатывающей промышленности. Этот загуститель, известный своей способностью эффективно отделять твердые частицы от жидкостей, имеет решающее значение ......
Читать далееЦилиндрическая камера пенной флотации произвела революцию в переработке полезных ископаемых благодаря оптимизированной конструкции, повышенным показателям извлечения и энергоэффективной работе. В этом подробном руководстве рассказывается, чем цилиндрические флотационные камеры отличаются от традицио......
Читать далее